
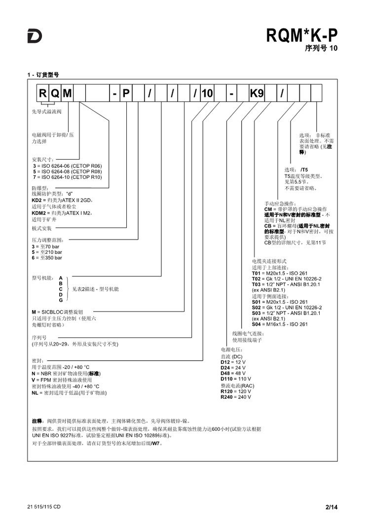
Взрывозащищенный соленоидный предохранительный клапан Duplomatic Rqm3Kd2-P6/A/10N-D24K9T01/Cm
Offer ID: 915119744319
Статистика продавца
Свойства товара
Описание товара






悦和行液压专业销售诚阳CHYMEC、懋通ISHUN牌PU管、夹纱管、油缸、充液阀、电磁阀,迪普马DUPLOMATIC电磁阀,油泵,液压件/伊顿威格士EATON-VICKERS电磁阀,液压阀,叶片泵,插装阀/福伊特VOITH齿轮泵,伺服电机泵组系统/蒙德MODROL伺服电机,驱动器/星辰STARS驱动器,伺服电机/机立HNC及北部精机NORTHMAN比例阀/艾可勒ECKERLE齿轮泵/力士乐BOSCH-REXROTH比例阀,油泵,液压阀,伺服阀/比例放大板,布拉玛BERARMA高压变量叶片泵,日森RISEN风冷却器/佳王CHIAWANG液压元件/福南FURNAN油泵、化工泵/油顺ASHUN油缸、液压件、PU管/吉顺油泵/凯嘉KCL牌油泵、台肯TWOWAY压力继电器,充液阀//哈威HAWE充液阀/栓懋CML液压元件/HTOQ叶片泵/东峰DOFLUID电磁阀/油昇YEOSHE、旭宏HPC柱塞泵/新鸿HYDROMAX齿轮泵、电动止回阀/安颂ANSON油泵/不二越NACHI液压元件/KYB齿轮泵/油研YUKEN液压元件/油田YUTIEN油压阀/朝田(康百世)KOMPASS液压元件/七洋7OCEAN液压元件/华液HOYEA液压阀/岛津shimadzu齿轮泵/NIHON齿轮泵/群策SY电机/满油阀/桦特WATT电力调整器
购买须知
01
关于签收:
避免发生纠纷,请您务必在收货前进行验货签收,确保商品无破损再签收,如有严重破损请立即拒收,轻微破损请及时联系客服处理哦,签收后发现破损问题我们有权不做处理,请知悉。注:因货物体积较大,需要帮助送货司机卸货,如带来不便,敬请理解!
02
关于物流:
为了确保商品安全到达,部分产品需通过专线物流运输,运输过程中可能会出现查询不到流转信息;此外部分偏远地区或当地物流情况,物流运输速度会延慢(如有疑问可联系客服)。
03
关于发票:
本公司商品均开具正规发票,发票为机打增值税普通发票。个人需要提供发票抬头名称,公司需要提供企业名称和税号。发票均在您确认收货后30天内开出。
04
关于客服
如您的咨询没能及时回复,可直接拨打客服电话。
05
关于极限词
凡买家购买本公司下单付款,均表示默认此详情页面描述,不支持任何及“极限词”“违禁词”为借口理由投诉商家违反《广告法》变相勒索商家所有赔偿的违法恶意行为!





DUPLOMATIC(迪普马)公司液压器材,其主要产品有柱塞泵、齿轮泵、叶片泵、电磁阀、防爆电磁阀、常规阀、插装阀、叠加阀、手动阀、比例阀、伺服阀、液压缸、伺服液压缸、过滤器和液压系统。
远程调压阀RM*-W 电磁换向阀电气插头EC
管式溢流阀RQ5-W 电磁换向阀电气转换插头ECL
板式溢流阀RQ*-P 逻辑阀阀盖LC*
管式电磁溢流阀RQM5-W 逻辑单元LP*
板式电磁溢流阀RQM*-P 直动式叠加溢流阀MCD
插装式三通压国力补偿器PCDC0 先导式叠加溢流阀MRQ
卸荷阀RQ -P 叠加式三通压力补偿阀PCDM3
电磁卸荷阀RQ*M*-P 叠加式背压阀PBM3
减压阀Z*-P 直动式叠加三通减压阀MZD
平衡阀ZC* 叠加式顺序阀MSD
管式节流阀RS* 叠加式节流阀MERS
管式单向节流阀RS*N 叠加式单向阀MVR
调速阀RPC1 叠加式单向节流阀MVR-RS/P